Odpowiedz 
 
Ocena wątku:
  • 10 Głosów - 4.6 Średnio
  • 1
  • 2
  • 3
  • 4
  • 5
HUSAREK - nowa homodyna dla "każdego"
SP4HKQ Offline
Zdzisław SK!
****

Liczba postów: 490
Dołączył: 19-08-2009
Post: #638
RE: HUSAREK - nowa homodyna dla "każdego"
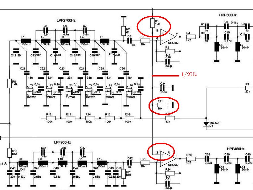
R1 z R11 stanowią dzielnik dla otrzymania połowy napięcia zasilania tj 6 V na nogi 3 i 5 wzmacniacza. Więc oba mają być jednakowe i właściwie to obojętne czy oba mają 10 czy 22kOm.


Załączone pliki Miniatury
İmage
12-01-2014 21:35
Znajdź wszystkie posty użytkownika Odpowiedz cytując ten post
Odpowiedz 


Wiadomości w tym wątku
RE: HUSAREK - nowa homodyna dla "każdego" - SP4HKQ - 12-01-2014 21:35

Skocz do:


Użytkownicy przeglądający ten wątek: 23 gości