Odpowiedz 
 
Ocena wątku:
  • 10 Głosów - 4.6 Średnio
  • 1
  • 2
  • 3
  • 4
  • 5
HUSAREK - nowa homodyna dla "każdego"
SP5FCS Offline
Adam
*****

Liczba postów: 1,073
Dołączył: 02-02-2009
Post: #377
RE: HUSAREK - nowa homodyna dla "każdego"
Karol, zadaniem "Grupy Husar" było opracowanie od podstaw nowego radia, wykonanie kilku prototypów, sprawdzenie działania radia, korekta projektu i wykonanie opisu budowy radia. Ten etap zostanie zakończony prezentacją radia na Łosiu. Grupa nie będzie się zajmowała "produkcją" i dystrybucją płytek.

Jeśli projekt spotka się z zainteresowanie ze strony kolegów i będzie zapotrzebowanie na fabryczne płytki do budowy radia spróbujemy zainteresować tematem wykonania fabrycznych płytek a może nawet modułów jakąś firmę do tego powołaną (działalność gospodarcza, produkcja, faktury, paragony, dystrybucja).

Dostępność projektów na forum pozwala również na indywidualne organizowanie małych grup do wspólnego zlecania wykonania płytek w specjalistycznych firmach.


-------------------------------------------------------------------------------------------------
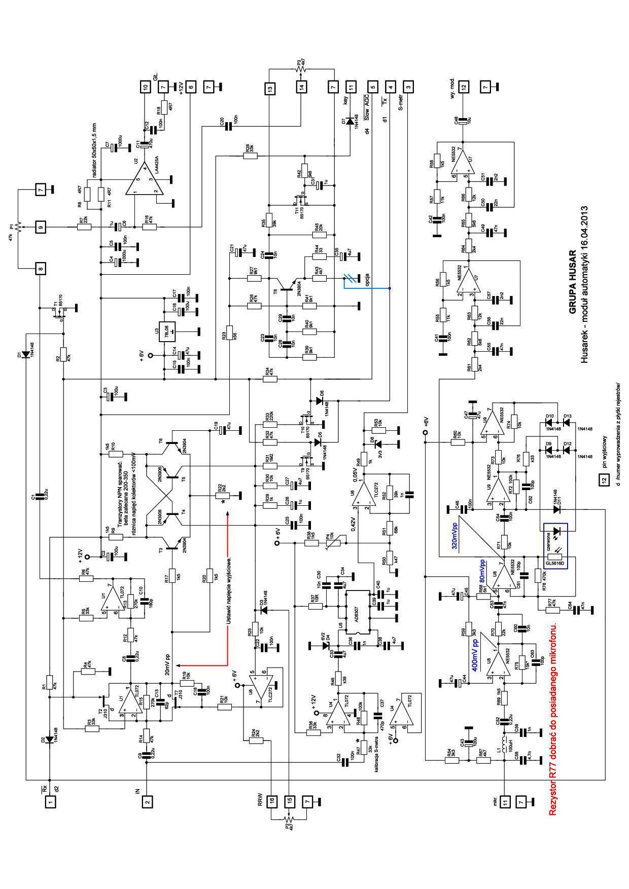
W załącznikach poprawiony moduł automatyki do Husarka


Załączone pliki Miniatury
İmage

.pdf  Husarek automatyka lista 16.04.2013.pdf (Rozmiar: 6.01 KB / Pobrań: 2120)
.lay  HUSAREK automatyka_16.04.2013.LAY (Rozmiar: 226.09 KB / Pobrań: 1638)

73 Adam
16-04-2013 15:45
Znajdź wszystkie posty użytkownika Odpowiedz cytując ten post
Odpowiedz 


Wiadomości w tym wątku
RE: HUSAREK - nowa homodyna dla "każdego" - SP5FCS - 16-04-2013 15:45

Skocz do:


Użytkownicy przeglądający ten wątek: 17 gości