Odpowiedz 
 
Ocena wątku:
  • 10 Głosów - 4.6 Średnio
  • 1
  • 2
  • 3
  • 4
  • 5
HUSAREK - nowa homodyna dla "każdego"
SP5FCS Offline
Adam
*****

Liczba postów: 1,073
Dołączył: 02-02-2009
Post: #375
RE: HUSAREK - nowa homodyna dla "każdego"
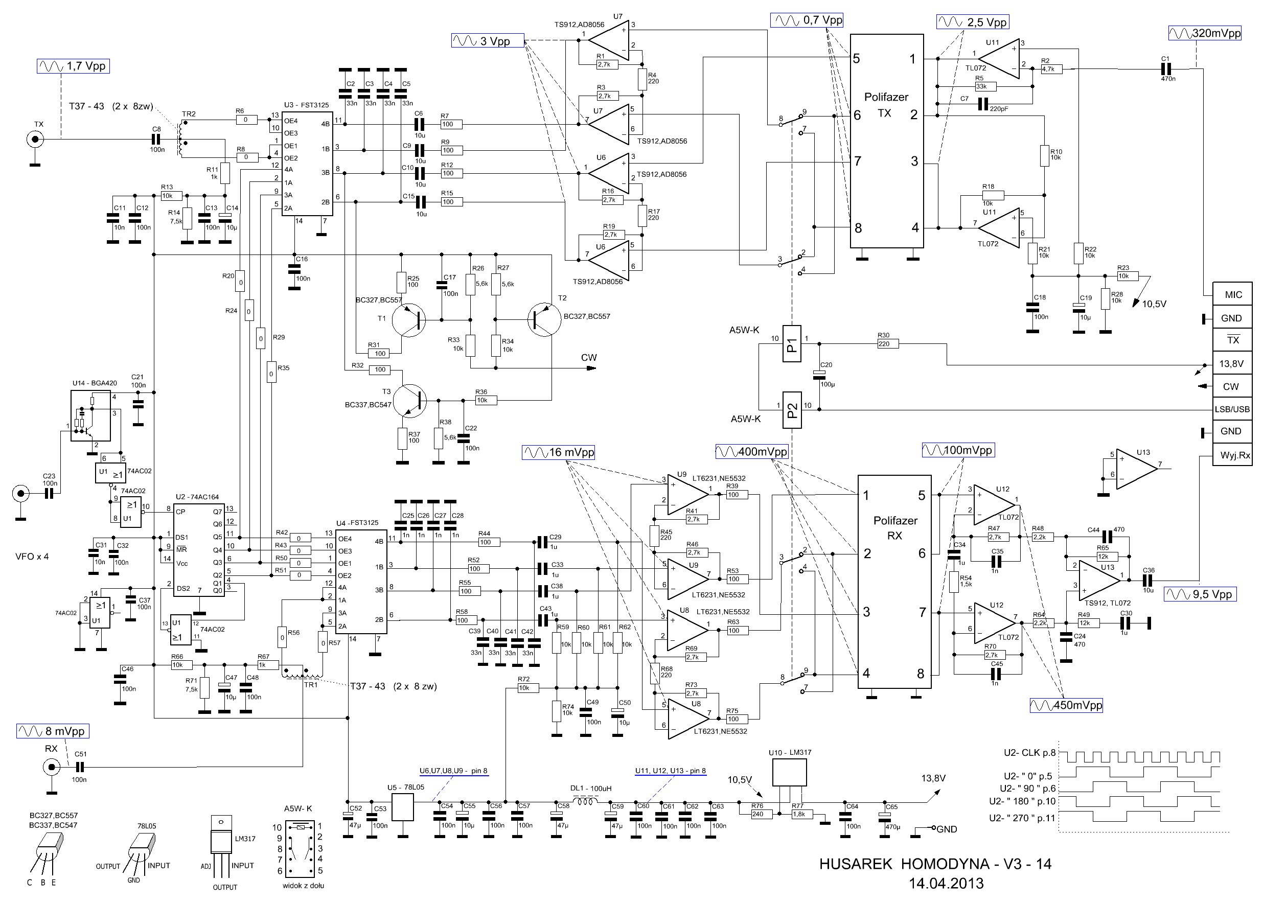
Poprawiona wersja modułu homodyny do HUSARKA, schemat po naniesieniu koniecznych zmian oraz druk z wykonanymi poprawkami.

Na wcześniejszych wersjach druku należy:
- dodać układ formowania sygnału VFO na BGA420;
- usunąć tranzystory Q1, Q5 (oznaczenie na starych schematach);
- wymienić 3-uzwojeniowe trafa przed mieszaczami na 2-uzwojeniowe splitery;
- zamienić wyjścia 1,7 na układzie U9 aby uzyskać poprawne przełączanie wstęg;
- skorygować wartości niektórych elementów wg. ostatniego schematu.
Zmiany dla wersji radia z podwójnym wykorzystywaniem modułu filtrów akustycznych (nadawanie/ odbiór).

Schemat homodyny zamieszczony w tym poście ma błędy, poprawny schemat jest w opisie budowy radia.


Załączone pliki Miniatury
İmage

.lay  Husarek homodyna 14.04.2013.LAY (Rozmiar: 461.66 KB / Pobrań: 1941)
.pdf  Husarek homodyna spis elementów .pdf (Rozmiar: 17.54 KB / Pobrań: 2308)

73 Adam
16-04-2013 13:37
Znajdź wszystkie posty użytkownika Odpowiedz cytując ten post
Odpowiedz 


Wiadomości w tym wątku
RE: HUSAREK - nowa homodyna dla "każdego" - SP5FCS - 16-04-2013 13:37

Skocz do:


Użytkownicy przeglądający ten wątek: 22 gości