Odpowiedz 
 
Ocena wątku:
  • 10 Głosów - 4.6 Średnio
  • 1
  • 2
  • 3
  • 4
  • 5
HUSAREK - nowa homodyna dla "każdego"
SP5FCS Offline
Adam
*****

Liczba postów: 1,073
Dołączył: 02-02-2009
Post: #373
RE: HUSAREK - nowa homodyna dla "każdego"
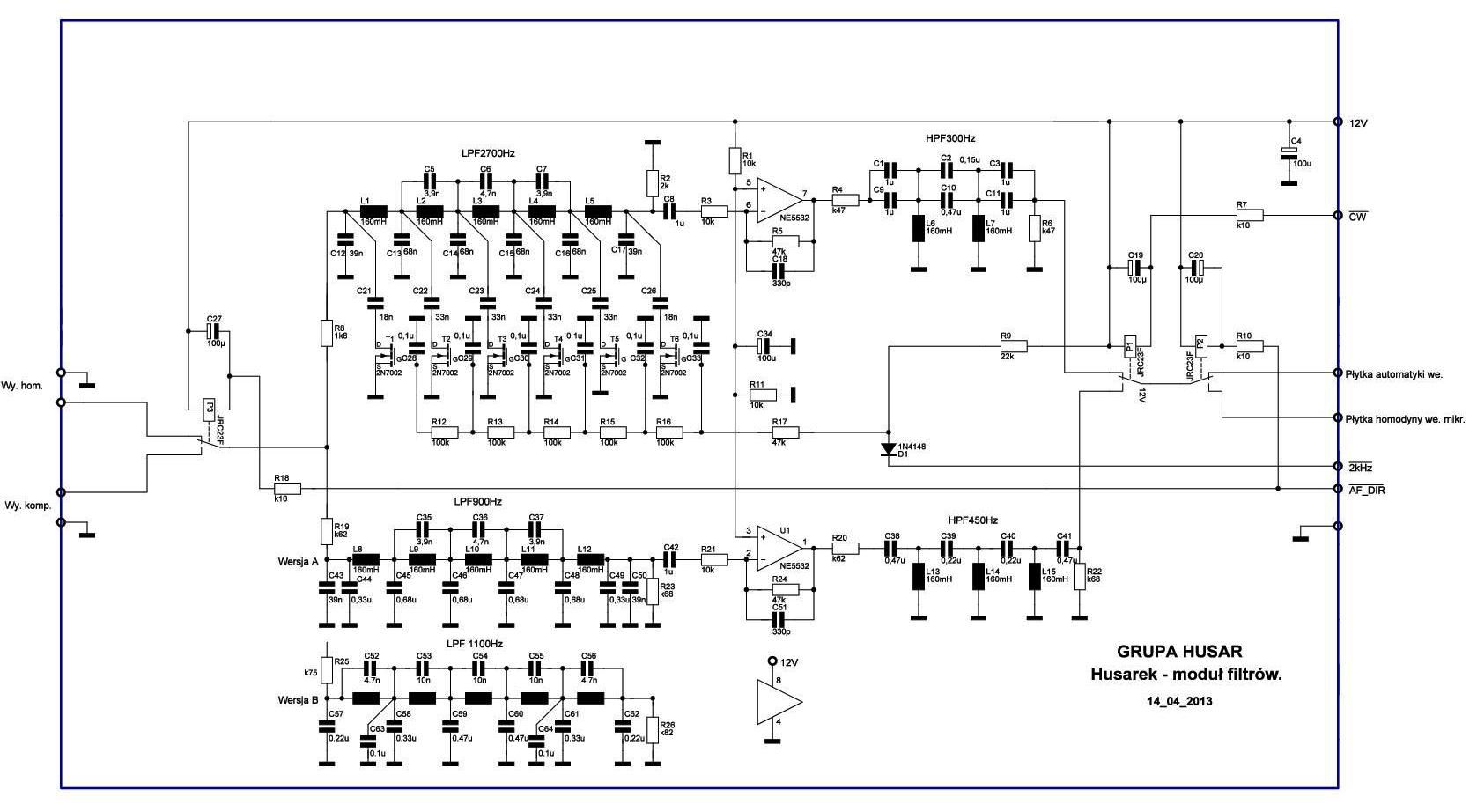
Koledzy, powoli kończone są prace projektowe nad HUSARKIEM. Obecnie kilkunastu Kolegów kończy budować własne radia i na podstawie zebranych uwag wykonane zostały niezbędne modyfikacje i poprawki prototypu. Wszystkie poprawki są wprowadzane na schematy ideowe oraz projekty druków. Do końca kwietnia zostanie przedstawiona ostateczna wersja Husarka zalecana do powielania oraz opis budowy radia. Pod koniec maja planowana jest prezentacja kilku prototypów radia na spotkaniu ŁOŚ 2013.

Poniżej zalecana dokumentacja filtrów akustycznych do HUSARKA. Moduł filtrów akustycznych jest wykorzystywany zarówno podczas odbioru jak i nadawania. Zmiana toru akustycznego wykonana jest na popularnych przekaźnikach. Na płytkach starszej wersji należy wykonać "dostawkę na pająku" lub dodać małą płytkę z przekaźnikiem.

Zaletą takiego rozwiązania jest bardzo dobre formowanie charakterystyki sygnału akustycznego z mikrofonu podczas nadawania oraz skuteczne rozwiązanie problemu blokowania toru mikrofonowego podczas odbioru. Wadą jest dłuższy czas przełączania nadawanie/odbiór.


Załączone pliki Miniatury
İmage

.pdf  Husarek moduł filtrów lista elementów 14_04_2013.pdf (Rozmiar: 4.46 KB / Pobrań: 1792)
.lay  Husarek_filtry_15.04.2013.LAY (Rozmiar: 197.11 KB / Pobrań: 1777)

73 Adam
15-04-2013 20:38
Znajdź wszystkie posty użytkownika Odpowiedz cytując ten post
Odpowiedz 


Wiadomości w tym wątku
RE: HUSAREK - nowa homodyna dla "każdego" - SP5FCS - 15-04-2013 20:38

Skocz do:


Użytkownicy przeglądający ten wątek: 22 gości