Odpowiedz 
 
Ocena wątku:
  • 10 Głosów - 4.6 Średnio
  • 1
  • 2
  • 3
  • 4
  • 5
HUSAREK - nowa homodyna dla "każdego"
SP6AUO Offline
Andrzej
*****

Liczba postów: 1,051
Dołączył: 20-09-2009
Post: #368
RE: HUSAREK - nowa homodyna dla "każdego"
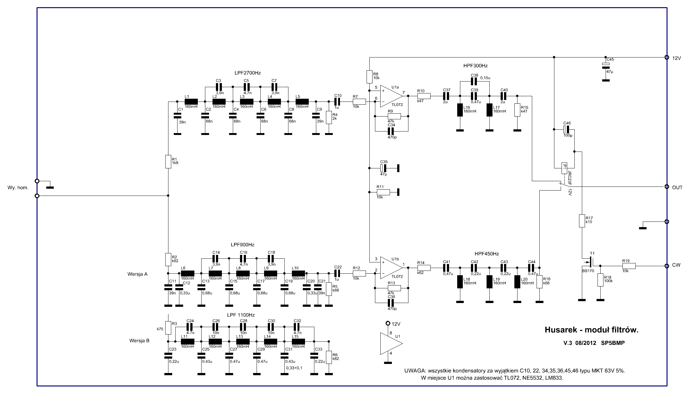
Witam.Muszę sprostować post 364.
1:nazwa wykresu 1uF,330nF,1uF powinno być:1uF,680nF,1uF.
2:nazwa wykresu 1uF,680nF,1uF powinno być 1uF,330nF,1uF.
Wykresy dotyczą zmiany kondensatora C38+C39 = 330nF lub 680 lub 1uF przy stałych wartościach pozostałych C.
Kondensatory C37 = C40 = 1uF
Kondensatory C1 = C9 = 56nF , C2 = C4 = C6 = C8 = 2x56nF = 112nF.
Widać jak przesuwa się pasmo od strony 300Hz.
Pozdrawiam.Andrzej sp6auo


Załączone pliki Miniatury
İmage

Andrzej
25-03-2013 12:46
Znajdź wszystkie posty użytkownika Odpowiedz cytując ten post
Odpowiedz 


Wiadomości w tym wątku
RE: HUSAREK - nowa homodyna dla "każdego" - SP6AUO - 25-03-2013 12:46

Skocz do:


Użytkownicy przeglądający ten wątek: 16 gości