Odpowiedz 
 
Ocena wątku:
  • 10 Głosów - 4.6 Średnio
  • 1
  • 2
  • 3
  • 4
  • 5
HUSAREK - nowa homodyna dla "każdego"
SP5BMP Offline
Janusz
****

Liczba postów: 606
Dołączył: 02-11-2010
Post: #349
RE: HUSAREK - nowa homodyna dla "każdego"
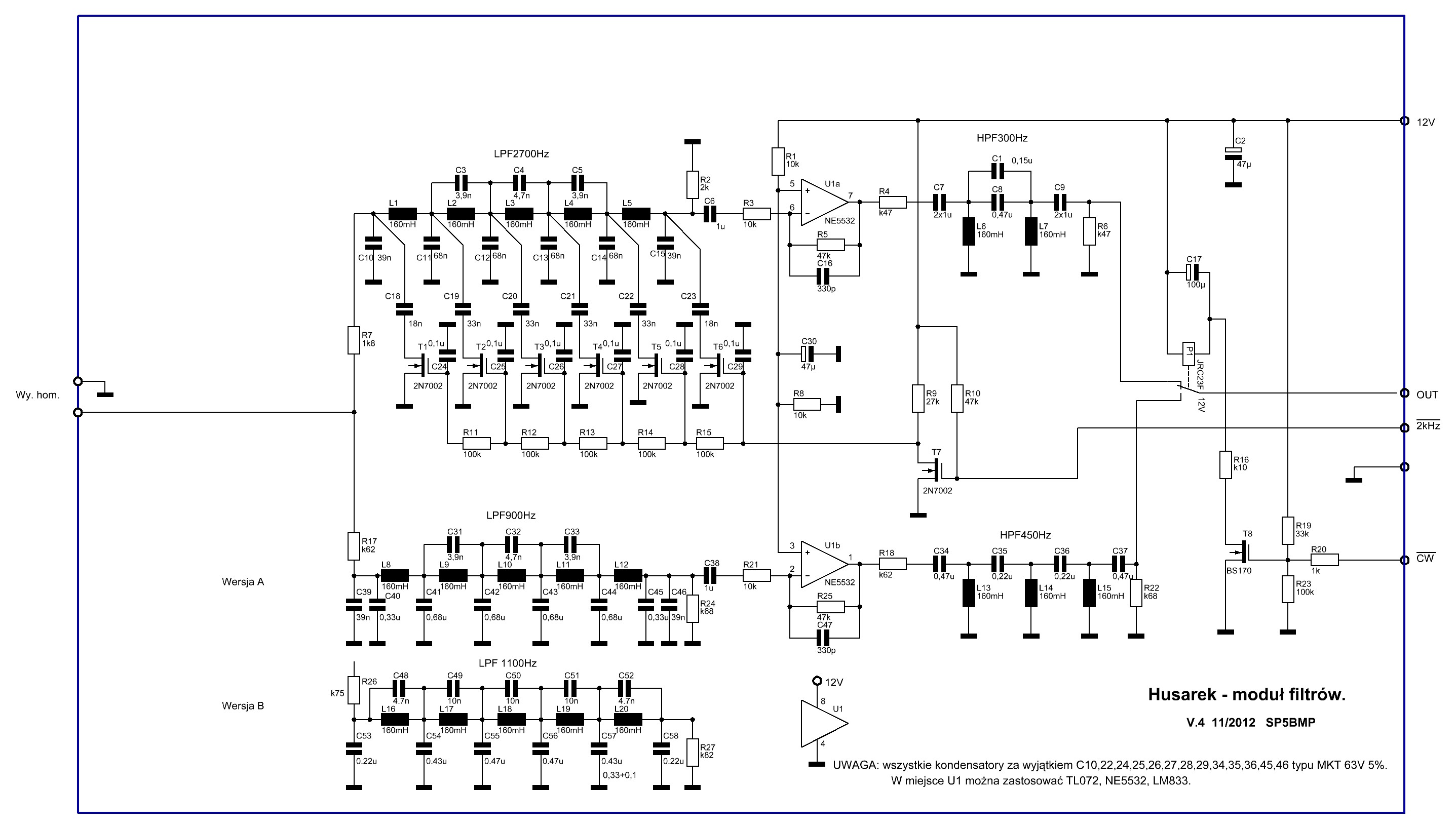
Skleiłem płytkę filtrów i przełączników w jedną całość. Zamieszczam poniżej , jak i schemat w trochę większej rozdzielczości. Pozdrawiam, Janusz.


Załączone pliki Miniatury
İmage

.rar  HUSAREK moduł filtrów V4.rar (Rozmiar: 53.92 KB / Pobrań: 1177)
02-03-2013 15:38
Znajdź wszystkie posty użytkownika Odpowiedz cytując ten post
Odpowiedz 


Wiadomości w tym wątku
RE: HUSAREK - nowa homodyna dla "każdego" - SP5BMP - 02-03-2013 15:38

Skocz do:


Użytkownicy przeglądający ten wątek: 23 gości