Odpowiedz 
 
Ocena wątku:
  • 10 Głosów - 4.6 Średnio
  • 1
  • 2
  • 3
  • 4
  • 5
HUSAREK - nowa homodyna dla "każdego"
SP4HKQ Offline
Zdzisław SK!
****

Liczba postów: 490
Dołączył: 19-08-2009
Post: #324
RE: HUSAREK - nowa homodyna dla "każdego"
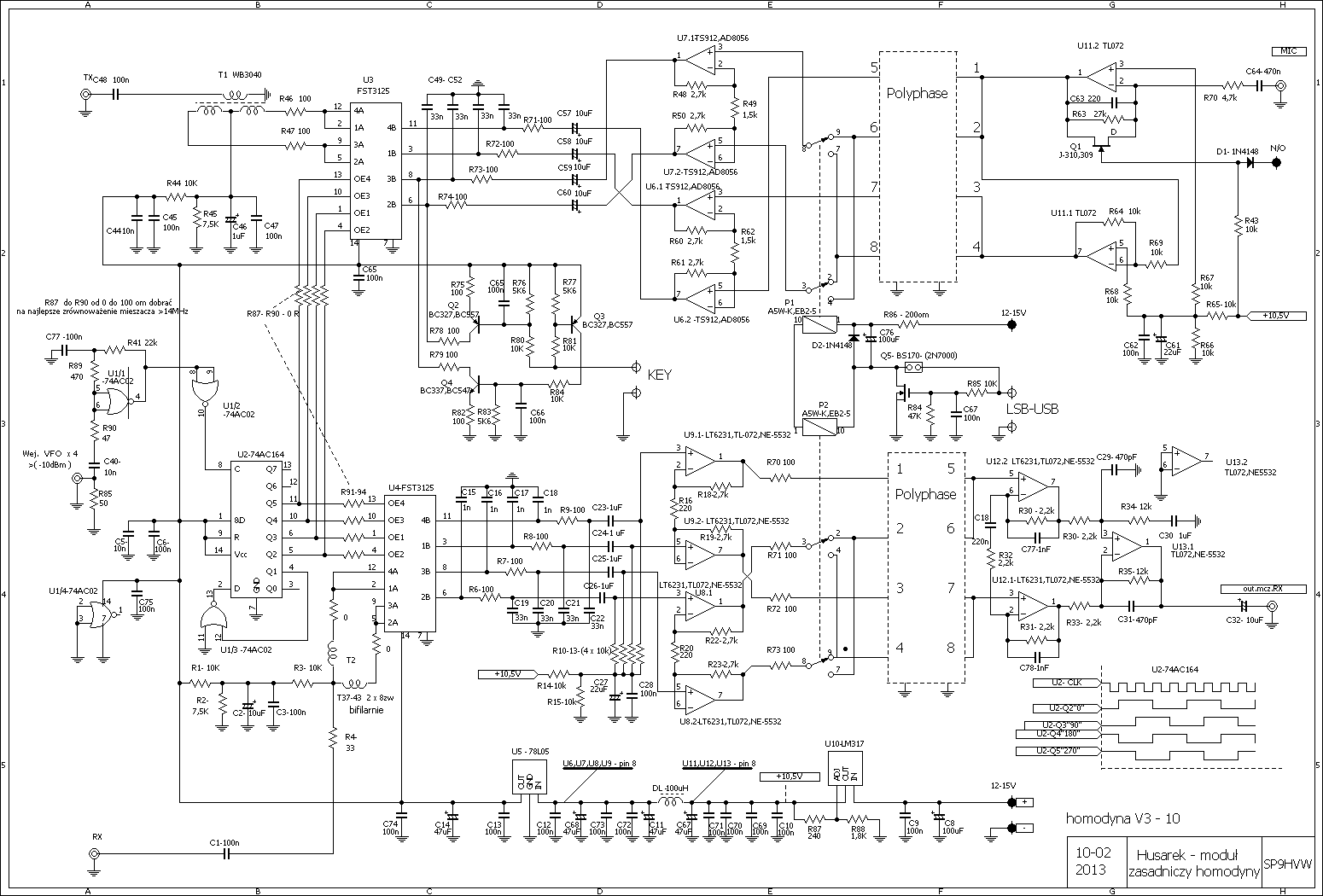
Uwaga schemat homodyny HUSARKA prezentowany na str 8 zawiera błędy. Poniżej poprawiony schemat zawierający wszystkie znane poprawki. Zmienione wartości kondensatorów przy wzmacniaczach operacyjnych po polifazerze RXa. Zmieniony schemat wzmacniacza VFO, oraz trafo wejściowe RX T2.


Załączone pliki
.bmp  Husarek zas.homodyna V3-10.BMP (Rozmiar: 201.04 KB / Pobrań: 5552)
10-02-2013 21:15
Znajdź wszystkie posty użytkownika Odpowiedz cytując ten post
Odpowiedz 


Wiadomości w tym wątku
RE: HUSAREK - nowa homodyna dla "każdego" - SP4HKQ - 10-02-2013 21:15

Skocz do:


Użytkownicy przeglądający ten wątek: 16 gości