Odpowiedz 
 
Ocena wątku:
  • 10 Głosów - 4.6 Średnio
  • 1
  • 2
  • 3
  • 4
  • 5
HUSAREK - nowa homodyna dla "każdego"
SP9HVW Offline
Józef
***

Liczba postów: 158
Dołączył: 14-06-2010
Post: #271
RE: HUSAREK - nowa homodyna dla "każdego"
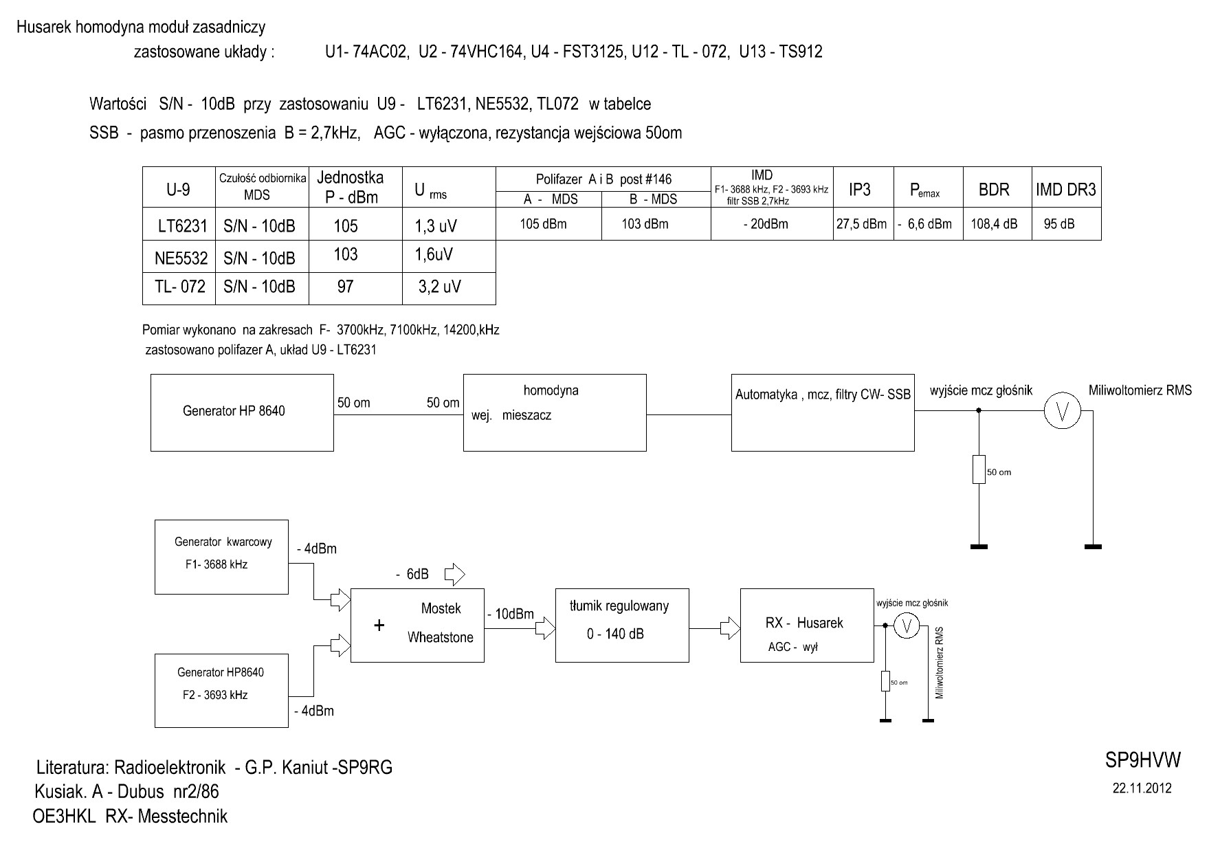
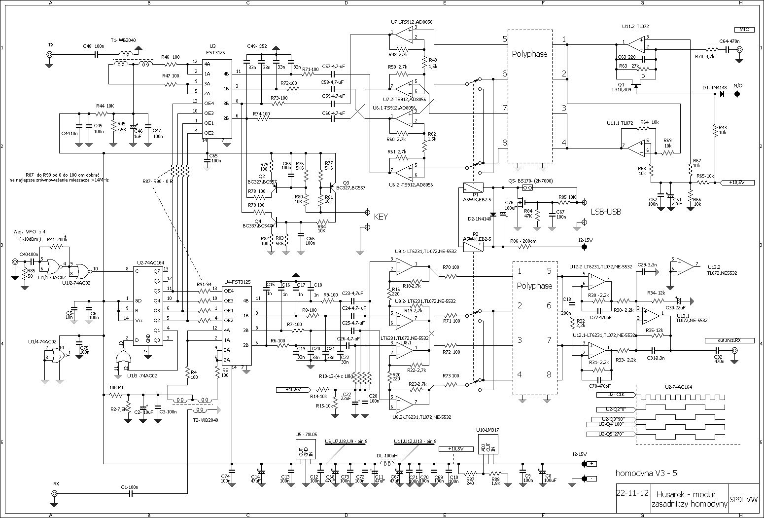
Pomierzyłem parametry toru odbiorczego Husarka . Na schemacie modułu zasadniczego elementy z gwiazdką zostały zastosowane takie jak na załączonym schemacie ( homodyna V3 – 5). Układy scalone przy których uzyskałem najlepsze parametry są umieszczone jako pierwsze w opisie na schemacie. Metoda pomiaru poszczególnych parametrów zostanie zamieszczona w dziale dotyczącej Techniki pomiarowej - metodyka pomiarów . Pomiary zrobiłem bez dopieszczania poszczególnych stopni , ale to będzie następny etap.


Załączone pliki Miniatury
İmage İmage
22-11-2012 15:48
Znajdź wszystkie posty użytkownika Odpowiedz cytując ten post
Odpowiedz 


Wiadomości w tym wątku
RE: HUSAREK - nowa homodyna dla "każdego" - SP9HVW - 22-11-2012 15:48

Skocz do:


Użytkownicy przeglądający ten wątek: 12 gości