Odpowiedz 
 
Ocena wątku:
  • 10 Głosów - 4.6 Średnio
  • 1
  • 2
  • 3
  • 4
  • 5
HUSAREK - nowa homodyna dla "każdego"
SP5BMP Offline
Janusz
****

Liczba postów: 606
Dołączył: 02-11-2010
Post: #229
RE: HUSAREK - nowa homodyna dla "każdego"
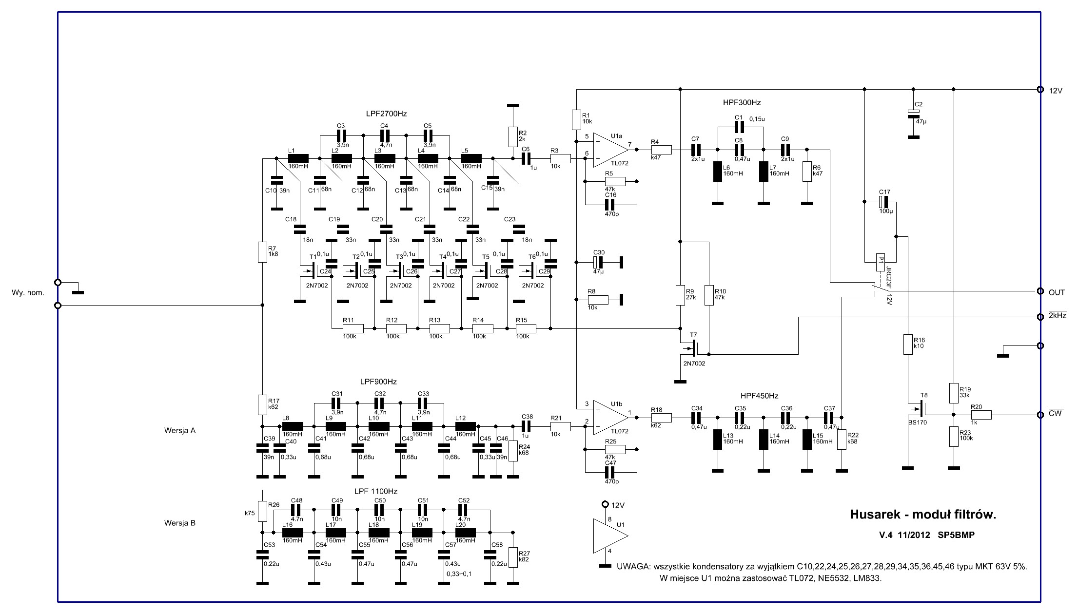
Proponuję kolegom budującym Husarka rozbudowę o dodanie w prosty sposób drugiego filtru SSB. Jest to filtr LPF o częstotliwości 2300Hz dla 6dB. Odpowiada on filtrowi kwarcowemu w superheterodynie o szerokości 2kHz. Doskonale wycina spleter stacji oddalonej o 2,5kHz. Załączam dokonane dzisiaj w zawodach nagranie. Kilka razy załączałem i wyłączałem filtr. Ocenicie sami jego działanie. Pozdrawiam, Janusz.


Załączone pliki Miniatury
İmage İmage

.mp3  FreeHi-Q 2012-11-08_18;04;02.mp3 (Rozmiar: 352.35 KB / Pobrań: 1411)
.rar  HUSAREK moduł filtrów 2.rar (Rozmiar: 57.57 KB / Pobrań: 1057)
(Ten post był ostatnio modyfikowany: 26-01-2013 14:47 przez SP5BMP.)
08-11-2012 19:35
Znajdź wszystkie posty użytkownika Odpowiedz cytując ten post
Odpowiedz 


Wiadomości w tym wątku
RE: HUSAREK - nowa homodyna dla "każdego" - SP5BMP - 08-11-2012 19:35

Skocz do:


Użytkownicy przeglądający ten wątek: 22 gości