Odpowiedz 
 
Ocena wątku:
  • 1 Głosów - 5 Średnio
  • 1
  • 2
  • 3
  • 4
  • 5
Najnowszy minitransceiver SP5AHT (80m/SSB). Dziennik budowy.
SP3RAF Offline
Robert
***

Liczba postów: 113
Dołączył: 02-07-2009
Post: #71
RE: Najnowszy minitransceiver SP5AHT (80m/SSB). Dziennik budowy.
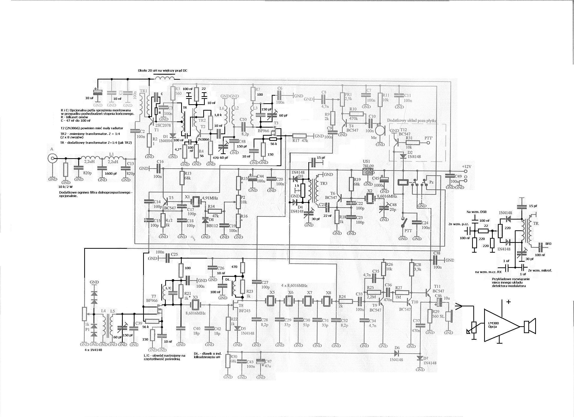
Kiedyś sobie tak trochę teoretyzowałem "na papierku" na temat tego TRX-a... W załączniku widać co mi wyszło. Leszku, czy Twoja "tajemnica" poprawienia jakości modulatora wygląda tak, jak to narysowałem - w tym konkretnym urządzeniu - czysto teoretycznie? Też stosowałem takie układy, i bez problemu dało się z nich wydusić znacznie lepsze parametry.

73! Robert SP3RAF


Załączone pliki Miniatury
İmage
17-10-2012 22:28
Odwiedź stronę użytkownika Znajdź wszystkie posty użytkownika Odpowiedz cytując ten post
Odpowiedz 


Wiadomości w tym wątku
RE: Najnowszy minitransceiver SP5AHT (80m/SSB). Dziennik budowy. - SP3RAF - 17-10-2012 22:28

Skocz do:


Użytkownicy przeglądający ten wątek: 1 gości