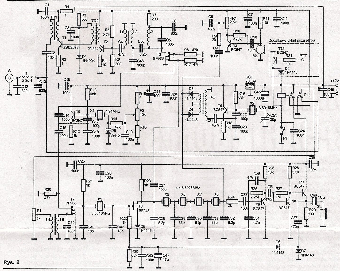
Witam! Przejrzałem płytkę pod kątem błędu w druku - po raz kolejny wykluczam go. Załączam również schemat montażowy - tak wygląda układ ścieżek od strony druku. Z porad Kolegi Leszka:
a) Najbardziej prawdopodobne jest, że baza jest polaryzowana wprost z napięcia zasilania przez R25 a kolektor T9 jest zwarty do masy lub opornik kolektora - R26 jest podłączony do masy zamiast do zasilania. Innym wytłumaczeniem może być zwarcie kolektora i emitera T9. Nie znalazłem w postach tego wątku rysunku druku ale proponuję poszukać w okolicach T9 w topologii ścieżek czy na przykład R26 dołączony jest do zasilania. - WSZYSTKIE POŁĄCZENIA W OBRĘBIE WZMACNIACZA NISKIEJ CZĘSTOTLIWOŚCI SĄ OK.
b) Warto też sprawdzić omomierzem z sygnalizacją dźwiękową czy bez zasilania kolektor T9 jest zwarty do masy. TAK, OMOMIERZ SYGNALIZUJE ZWARCIE.
c) W końcu, jeśli inne przypuszczenia zawiodą warto wylutować T9 i sprawdzić omomierzem stan złącza kolektor-emiter tego tranzystora bo zwarcie tego złącza również tłumaczy opisany stan. TUTAJ MOŻE BYĆ PROBLEM GDYŻ PŁYTKA JEST DWUSTRONNA I NIE CHCIAŁBYM PRZEGRZAĆ JAKIEJŚ ŚCIEŻKI PIERWSZYM LUTOWANIEM.
Jakie jest prawdopodobieństwo, że u dwóch osób wystąpi podobna awaria niezależnie?? Bo zarówno Michał SQ6OCW jak i ja składaliśmy swoje układy osobno... Prawo Murphiego

??