Odpowiedz 
 
Ocena wątku:
  • 10 Głosów - 4.6 Średnio
  • 1
  • 2
  • 3
  • 4
  • 5
HUSAREK - nowa homodyna dla "każdego"
SP9HVW Offline
Józef
***

Liczba postów: 158
Dołączył: 14-06-2010
Post: #176
RE: HUSAREK - nowa homodyna dla "każdego"
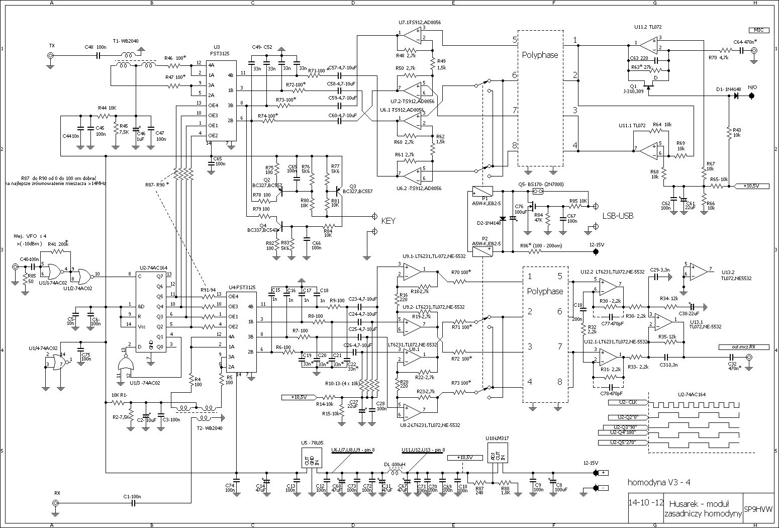
Schemat ideowy modułu zasadniczego homodyny z poprawkami i opisy wartości elementów na PCB.

Poprawiono błędy na schemacie ideowym zauważone przez SP9FKP. PCB wykonane zgodnie z przedstawionym schemacie.


Załączone pliki Miniatury
İmage

.lay  Husarek homod opis.LAY (Rozmiar: 460.1 KB / Pobrań: 1154)
(Ten post był ostatnio modyfikowany: 14-10-2012 13:05 przez SP9HVW.)
11-10-2012 0:31
Znajdź wszystkie posty użytkownika Odpowiedz cytując ten post
Odpowiedz 


Wiadomości w tym wątku
RE: HUSAREK - nowa homodyna dla "każdego" - SP9HVW - 11-10-2012 0:31

Skocz do:


Użytkownicy przeglądający ten wątek: 19 gości