Odpowiedz 
 
Ocena wątku:
  • 0 Głosów - 0 Średnio
  • 1
  • 2
  • 3
  • 4
  • 5
Sterownik rotora antenowego - Projekt i wykonany egzemplarz
SP9MTV Offline
Początkujący
**

Liczba postów: 96
Dołączył: 12-05-2010
Post: #5
RE: Sterownik rotora antenowego - Projekt i wykonany egzemplarz
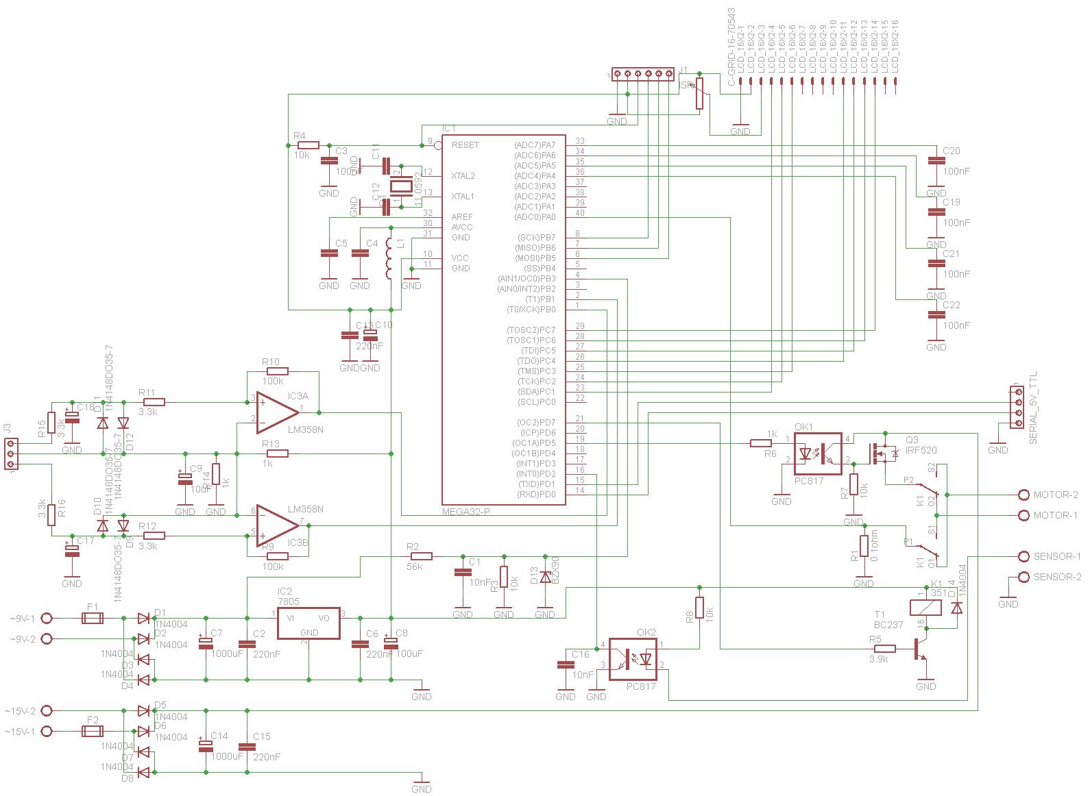
Wstawiam schemat i rysunek płytki.
Małe sprostowanie. Wcześniej pomyliłem się i napisałem o dwóch przyciskach.
Przycisków jest 4 i na schemacie ich nie widać (zapomniałem dorysować) ale są podłączone do wejść PA4-PA7. Po kolei: Right, Left, OK, ESC

Dołączam również plik HEX oraz opis jak ustawić sterownik.
Sterownik pamięta oczywiście ustawienia oraz pozycję rotora po wyłączeniu lub zaniku zasilania w pamięci EEPROM.

İmage
Schemat


.pdf  rotator antenowy.pdf (Rozmiar: 29.26 KB / Pobrań: 2293)
PCB Wersja druga (pobierzcie sobie powtórnie ten plik)

İmage
PCB Widok zworek (czerwone) (w dalszej części wątku wersja poprawiona)

İmage
Elementy (w dalszej części wątku wersja poprawiona)


.rar  Sterownik.rar (Rozmiar: 11.22 KB / Pobrań: 1613)
HEX


.txt  Ustawianie sterownika.txt (Rozmiar: 3.12 KB / Pobrań: 1934)
Ustawianie
(Ten post był ostatnio modyfikowany: 14-09-2012 12:12 przez SP9MTV.)
14-09-2012 11:20
Znajdź wszystkie posty użytkownika Odpowiedz cytując ten post
Odpowiedz 


Wiadomości w tym wątku
RE: Sterownik rotora antenowego - Projekt i wykonany egzemplarz - SP9MTV - 14-09-2012 11:20

Skocz do:


Użytkownicy przeglądający ten wątek: 1 gości