Odpowiedz 
 
Ocena wątku:
  • 1 Głosów - 5 Średnio
  • 1
  • 2
  • 3
  • 4
  • 5
trx cw na wszystkie pasma - prosta konstrukcja
SP6FRE Offline
Leszek
****

Liczba postów: 737
Dołączył: 20-09-2009
Post: #67
RE: trx cw na wszystkie pasma - prosta konstrukcja
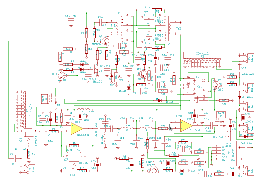
Po dodatkowych próbach ustaliłem chyba ostateczny kształt transceivera. Nadajnik składa się w zasadzie z 2 stopni (Q5 i Q7/Q8) i powinien oddawać kilka W mocy. Część nadawcza zawiera generator monitora nadajnika (Q6) oraz układ formowania sygnału kluczowania (Q2 i Q4).
Jak wspominałem, przełączenie pasm będzie się odbywać, poza zmianą częstotliwości heterodyny przez wstawienie w gniazda P1 i P3 płytek z filtrami dla konkretnego pasma z tym, że na P1 działać będzie filtr pasmowy a na P3 filtr dolnoprzepustowy (pi filtr). Konstrukcja mechaniczna płytki pozwoli na założenie w gniazda P1 i P3 dodatkowej płytki gdzie będzie można zamontować w kolejne gniazda pary filtrów przełączanych miniprzekaźnikami sterowanymi dodatkowym sygnałem np. z DDS-a lub z przełącznika mechanicznego. W ten sposób będzie można w pełni zautomatyzować przełączanie pasm.
L.J.


Załączone pliki Miniatury
İmage
02-07-2012 20:38
Odwiedź stronę użytkownika Znajdź wszystkie posty użytkownika Odpowiedz cytując ten post
Odpowiedz 


Wiadomości w tym wątku
RE: trx cw na wszystkie pasma - prosta konstrukcja - SP6FRE - 02-07-2012 20:38

Skocz do:


Użytkownicy przeglądający ten wątek: 2 gości