Odpowiedz 
 
Ocena wątku:
  • 5 Głosów - 2.6 Średnio
  • 1
  • 2
  • 3
  • 4
  • 5
Tiny DDS bis
SP6FRE Offline
Leszek
****

Liczba postów: 737
Dołączył: 20-09-2009
Post: #8
RE: Tiny DDS bis
Udało mi się uruchomić sterowanie modułu DDS. Okazało się to prostsze niż dla AD9834 i AD9835 choć, jak zwykle na początku nic nie działało i jak zwykle winien był ... programista ;-) Polecam ten moduł jako tanie i wygodne źródło programowanej częstotliwości.
Niestety, gorzej idzie mi z oprogramowaniem impulsatora :-( Prawdopodobnie przyczyna jest niejednoznaczność sygnalizacji impulsatora (jego jakość) ale jeszcze powalczę bo możliwość korzystania z dodatkowego przełącznika na osi jest kusząca i może ułatwić sterowanie funkcjami generatora.
L.J.
Jest pewien postęp w sprawie ;-)
Impulsator jednak działa w sposób zadawalający. Z pomocą przełącznika osiowego udaje się bez kłopotu zmieniać krok sterowania. W połączeniu z uruchomionym sterowaniem modułu DDS jest to już w zasadzie podstawowy zespół generatora strojonego od 10Hz do 62.5MHz.
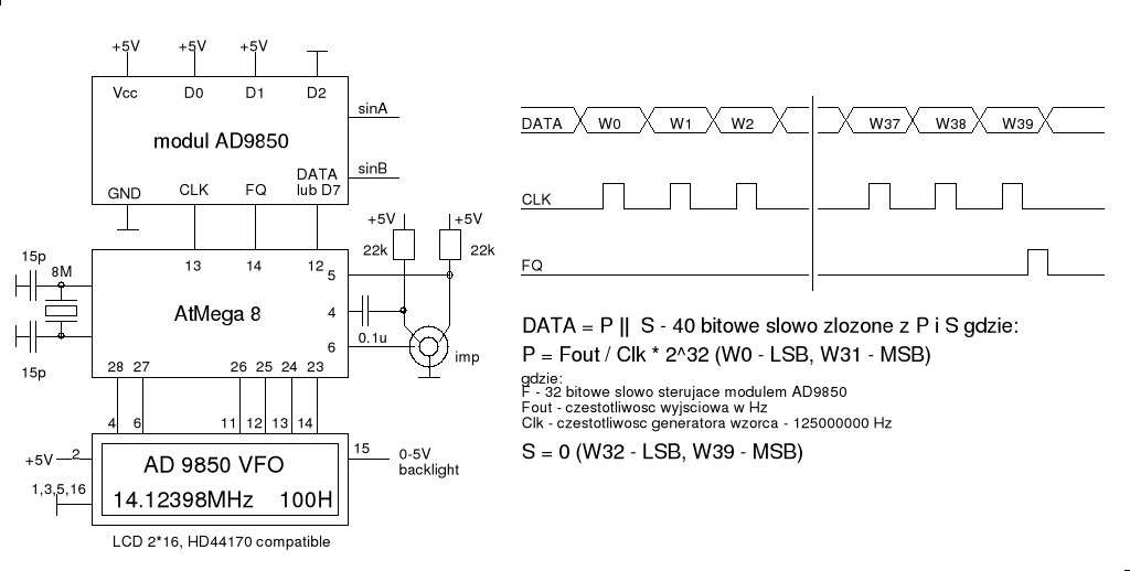
Załączam schemat generatora z opisem sterowania szeregowego modułem DDS. Do sterowania szeregowego trzeba zbudować 40 bitowe słowo złożone z części odpowiedzialnej za częstotliwość oznaczoną jako P (32 pierwsze bity) oraz części związanej ze sterowaniem fazą i stanem DDS-a oznaczoną jako S (w zasadzie S ma wartość 0). Sposób wyliczenia części P podałem na rysunku, oczywiście P jest liczbą całkowitą choć z dokładnego mnożenia może wynikać liczba ułamkowa. Aby wysterować zadaną częstotliwością układ DDS-a należy wprowadzić na pin DATA lub D7 (oba piny stanowią to samo połączenie) bity P & S zaczynając dla wartości P od W0 - najmniej znaczącego bitu P (LSB) a kończąc na bicie 31 (MSB). W przypadku zmiennej S bity W32 i 33 to bity sterujące, bit W34 to bit PowerDown a ostatnie bity W35-W39 to bity fazy sygnału. Ponieważ wszystkie te bity i tak są zerami to kolejność i tak nie ma znaczenia ;-)
Wprowadzenie poszczególnych bitów W0 - W39 następuje po ustabilizowaniu ich wartości za pomocą impulsu zegara przy sygnale FQ równym 0. Sygnał FQ służy do zapisania danych do układu AD9850 po wprowadzeniu 40 bitów danych. W manualu do układu AD9850 podane są wartości zależności czasowych na długości i odstępy poszczególnych sygnałów ale ponieważ są to wartości mniej więcej 100 krotnie mniejsze niż w rzeczywistym układzie sterowania to wystarczy kiedy zapewnione zostanie logiczne następstwo sygnałów jak na rysunku.
Moduł AD9850 ma dwa wyjścia: sinA i sinB o podobnej charakterystyce: poziom napięcia pp ok. 1V dla 1MHz oraz kilka kom oporności wyjściowej. Niezbędne będzie więc zastosowanie dodatkowego wzmacniacza-bufora. Dla przykładu, bez dodatkowego wzmocnienia nie działa odbiornik z mieszczaczem na tranzystorze polowym gdzie przewiduję zastosowanie tego generatora.
Dla chcących sprawdzić jak działa generator (od 10Hz do 62.5MHz) z moim oprogramowaniem załączam plik hex. Biy fuse należy ustawić np. jak dla kontrolera w generatorze SI570.
L.J.


Załączone pliki Miniatury
İmage

.hex  ddsb1_0..hex (Rozmiar: 7.82 KB / Pobrań: 1456)
(Ten post był ostatnio modyfikowany: 10-06-2012 18:45 przez SP6FRE.)
10-06-2012 11:11
Odwiedź stronę użytkownika Znajdź wszystkie posty użytkownika Odpowiedz cytując ten post
Odpowiedz 


Wiadomości w tym wątku
Tiny DDS bis - SP6FRE - 05-06-2012, 22:36
RE: Tiny DDS bis - SP9FKP - 06-06-2012, 6:29
RE: Tiny DDS bis - SP6FRE - 06-06-2012, 8:42
RE: Tiny DDS bis - SP9FKP - 06-06-2012, 8:58
RE: Tiny DDS bis - SP6FRE - 06-06-2012, 11:17
RE: Tiny DDS bis - SP9MRN - 06-06-2012, 12:19
RE: Tiny DDS bis - SP6FRE - 06-06-2012, 14:49
RE: Tiny DDS bis - SP6FRE - 10-06-2012 11:11
RE: Tiny DDS bis - SP9MRN - 13-06-2012, 11:14
RE: Tiny DDS bis - SP6FRE - 13-06-2012, 13:20
RE: Tiny DDS bis - SP3SWJ - 20-06-2012, 0:10
RE: Tiny DDS bis - SQ4AVS - 21-06-2012, 19:43
RE: Tiny DDS bis - SP9MRN - 21-06-2012, 20:08
RE: Tiny DDS bis - SP6FRE - 28-06-2012, 11:12
RE: Tiny DDS bis - SP6FRE - 03-07-2012, 13:38
RE: Tiny DDS bis - SP9MRN - 03-07-2012, 15:56
RE: Tiny DDS bis - SQ8AQX - 03-07-2012, 20:53
RE: Tiny DDS bis - SP6FRE - 04-07-2012, 12:10
RE: Tiny DDS bis - SP3SWJ - 06-07-2012, 23:25
RE: Tiny DDS bis - SP6FRE - 09-07-2012, 11:40
RE: Tiny DDS bis - SP6FRE - 22-07-2012, 17:44
RE: Tiny DDS bis - SP6FRE - 08-08-2012, 0:11
RE: Tiny DDS bis - SP6FRE - 15-08-2012, 10:55
RE: Tiny DDS bis - SP9MRN - 15-08-2012, 12:41
RE: Tiny DDS bis - SP6FRE - 15-08-2012, 22:50
RE: Tiny DDS bis - SP9MRN - 16-08-2012, 0:17
RE: Tiny DDS bis - SP6FRE - 13-09-2012, 10:44
RE: Tiny DDS bis - SP9VNM - 11-10-2012, 11:18
RE: Tiny DDS bis - SP6FRE - 11-10-2012, 12:17
RE: Tiny DDS bis - SP6-11003 - 21-10-2012, 19:16
RE: Tiny DDS bis - SP6FRE - 21-10-2012, 20:50
RE: Tiny DDS bis - SP6-11003 - 22-10-2012, 11:05
RE: Tiny DDS bis - SP6FRE - 22-10-2012, 22:34
RE: Tiny DDS bis - SP6-11003 - 25-10-2012, 0:22
RE: Tiny DDS bis - SP6FRE - 25-10-2012, 21:56
RE: Tiny DDS bis - SP9VNM - 30-10-2012, 0:39
RE: Tiny DDS bis - SP6FRE - 30-10-2012, 20:58
RE: Tiny DDS bis - SP6FRE - 08-11-2012, 1:11
RE: Tiny DDS bis - SP6FRE - 13-11-2012, 19:08
RE: Tiny DDS bis - SP6FRE - 15-11-2012, 19:53
RE: Tiny DDS bis - SP9LAP - 16-11-2012, 1:24
RE: Tiny DDS bis - SP6FRE - 16-11-2012, 10:55
RE: Tiny DDS bis - SP6FRE - 18-11-2012, 23:56
RE: Tiny DDS bis - SP6FRE - 27-11-2012, 23:18
RE: Tiny DDS bis - SP6FRE - 09-12-2012, 23:03
RE: Tiny DDS bis - SP6FRE - 12-12-2012, 21:48
RE: Tiny DDS bis - SQ8GUM - 26-01-2013, 17:59
RE: Tiny DDS bis - SP6FRE - 31-01-2013, 22:01
RE: Tiny DDS bis - GREG - 01-02-2013, 19:42
RE: Tiny DDS bis - SP6FRE - 02-02-2013, 17:22
RE: Tiny DDS bis - GREG - 03-02-2013, 20:10
RE: Tiny DDS bis - SP5CII - 03-02-2013, 13:00
RE: Tiny DDS bis - SP6FRE - 03-02-2013, 13:57
RE: Tiny DDS bis - SP2QCA - 04-02-2013, 11:10
RE: Tiny DDS bis - GREG - 04-02-2013, 14:51
RE: Tiny DDS bis - SP5BMP - 04-02-2013, 18:34
RE: Tiny DDS bis - SP6FRE - 04-02-2013, 22:20
RE: Tiny DDS bis - SP4HKQ - 04-02-2013, 23:21
RE: Tiny DDS bis - SP6FRE - 05-02-2013, 1:04
RE: Tiny DDS bis - SQ8GUM - 05-02-2013, 1:36
RE: Tiny DDS bis - SP6FRE - 05-02-2013, 9:42
RE: Tiny DDS bis - SP3WXO - 12-03-2013, 15:46
RE: Tiny DDS bis - SP6FRE - 12-03-2013, 22:44
RE: Tiny DDS bis - SP3WXO - 13-03-2013, 0:54
RE: Tiny DDS bis - SP6FRE - 13-03-2013, 8:41
RE: Tiny DDS bis - SQ8GUM - 14-03-2013, 20:50
RE: Tiny DDS bis - SP6FRE - 14-03-2013, 22:17
RE: Tiny DDS bis - SQ8GUM - 14-03-2013, 23:11
RE: Tiny DDS bis - SP6FRE - 15-03-2013, 9:18
RE: Tiny DDS bis - SQ8GUM - 17-03-2013, 8:55
RE: Tiny DDS bis - SP6FRE - 17-03-2013, 20:48
RE: Tiny DDS bis - SQ8GUM - 17-03-2013, 22:16
RE: Tiny DDS bis - SP6FRE - 18-03-2013, 10:51
RE: Tiny DDS bis - SP9VEY - 01-05-2013, 21:37
RE: Tiny DDS bis - SP6FRE - 03-05-2013, 9:24
RE: Tiny DDS bis - SP9XW - 13-03-2014, 14:50
RE: Tiny DDS bis - SP6FRE - 13-03-2014, 20:47

Skocz do:


Użytkownicy przeglądający ten wątek: 3 gości