Odpowiedz 
 
Ocena wątku:
  • 3 Głosów - 5 Średnio
  • 1
  • 2
  • 3
  • 4
  • 5
Synteza SPHM DDS
SP3IQ Offline
Bogdan
****

Liczba postów: 281
Dołączył: 23-10-2011
Post: #211
RE: Synteza SPHM DDS
Postanowiłem złożyć i uruchomić płytkę z układem Si570, z tym że zastosowałem układ w wersji CMOS. Ogólnie nie napotkałem problemów z montażem, może oprócz jednego: moje gniazda SMB mają końcówki do lutowania obudowy o przekroju kwadratowym o boku 1 mm. Metalizowane zaś otwory płytki są przygotowane do okrągłych pinów złącza Fi=1 mm, co uniemożliwiło ich proste zastosowanie. Nie zdecydowałem się na rozwiercenie otworów w płytce, bo pozbawiłbym się metalizacji otworów. Zmuszony więc byłem do opiłowania końcówek złącza do uzyskania przekroju okrągłego. Postulowałbym na wszystkich płytkach Husarka, tam gdzie są złącza SMB, stosować otwory 1.6 - 1.8 mm.

Zastostosowałem enkoder COPAL RSM20-250-201-1T podłączając do złącza ENC-1 sterownika syntezy kolejno: czerwony +5V, B-brązowy, A-biały, masa-czarny.

Po włączeniu zasilania uzyskujemy na ekranie startowym komunikat o poprawnej pracy płytki Si570: "test Si570 OK!".

Testuję syntezę na Piligrimie i jak na razie wszytko działa OK. Co prawda ilość funkcji syntezy Adama SP5FCS jest spora więc nieco potrwa nim się przyzwyczaję do poszczególnych operacji. Stosowałem kilka dni w Piligrimie syntezę wg 4Z5KY, ale z niej zrezygnowałem (opisałem to w wątku Piligrim SMD #124). Od ponad tygodnia przyzwyczaiłem się do syntezy Oleg9 a teraz od godziny działa synteza Adama. Tak jak w syntezie Oleg9 nie mam niepożądanych sygnałów (birds), natomiast nie słyszę stuków efektu zamrażania Si570 jak to było w syntezie 4Z5KY. Stosując syntezę 4Z5KY słyszałem te "stuki" np. w paśmie 3.5 MHz co ok.15KHz oraz zauważyłem, że przy wyłączonej antenie są już łatwo zauważalne, ale nie są dokuczliwe.

W syntezie Adama SP5FCS w paśmie 14 MHz przestrajałem się o ok. 300 KHz i nie usłyszałem charakterystycznych "stuków" mimo, że dla prób wyłączyłem antenę.

73 Bogdan, SP3IQ.

İmage
(Ten post był ostatnio modyfikowany: 13-10-2012 16:36 przez SP3IQ.)
13-10-2012 16:35
Znajdź wszystkie posty użytkownika Odpowiedz cytując ten post
SP5FCS Offline
Adam
*****

Liczba postów: 1,073
Dołączył: 02-02-2009
Post: #212
RE: Synteza SPHM DDS
Kilka uwag otrzymanych od kolegów testujących sterownik z oprogramowaniem ver. 1_04:

- bezpośrednio po włączeniu zasilania sterownika na rejestrach szeregowych brakuje wysterowania zasilania odbiornika (pin RX), poprawny stan pojawia się dopiero po wciśnięciu i puszczeniu PTT;
- sterownik po włączeniu zasilania zawsze zgłasza się na poszczególnych pasmach drugą konfiguracją CFG2.
- sprzętowy klawisz SWAP działa tylko przy aktywnej funkcji SPLIT (do dyskusji), klawisz dotykowy SWAP działa również dla pamięci i trybu RX2.

Powyższe problemy będą usunięte w ver. 1_05.

73 Adam
02-11-2012 20:57
Znajdź wszystkie posty użytkownika Odpowiedz cytując ten post
SP5FCS Offline
Adam
*****

Liczba postów: 1,073
Dołączył: 02-02-2009
Post: #213
RE: Synteza SPHM DDS
Otrzymałem pytanie dotyczące kilku sygnałów sterujących na rejestrach 74HC595:
- d2 - sterowanie zasilaniem układów odbiornika (ZAS_RX);
- d1 - sterowanie zasilaniem polaryzacji tranzystorów PA (ZAS_TX);
- d0 - sterowanie przekaźnikiem nadawanie/odbiór (STER_N/O).

Pytanie: czy pomiędzy tymi sygnałami zachodzą zależności czasowe ?

Tak, zachodzą. Każde przejście z odbioru na nadawanie i ponowny powrót do odbioru jest realizowany w określonej sekwencji a stany poszczególne wyjść sterujących zmieniają się z opóźnieniem w zależności od wartości ustawionych w konfiguracji radia.

W tej wersji oprogramowania możemy ustawić w [ms]:
Del TX - opóźnienie włączenia zasilania polaryzacji PA dla nadajnika;
Del RX - opóźnienie włączenia zasilania układów odbiornika
DEL BK - opóźnienie dla BK (powrotu z nadawania do odbioru)

Kiedy podczas odbioru naciskamy PTT to następuje:
- wyłączenie zasilania torów odbiorczych poprzez pin ZAS_RX;
- przełączenie torów odbiorczych na nadawcze przekaźnikiem N/O;
- po czasie DEL_TX podanie napięcia polaryzującego na tranzystory stopnia PA.

Puszczenie przycisku PTT spowoduje:
- brak reakcji w ustawionym czasie BK;
- po upłynięciu czasu BK wyłączenie polaryzacji PA;
- przełączenie torów nadawczych na odbiorcze przekaźnikiem N/O;
- po czasie DEL_RX włączenie zasilania układów odbiorczych;

Taki rozbudowany sposób sterowania ma zapewnić prawidłową sekwencję przechodzenia ze stanu odbioru do nadawania i odwrotnie.

Czy w aktualnej wersji oprogramowania są obsługiwane sygnały:
- d9 - MUTE wzmacniacz m.cz.
- d8 - MUTE mikrofon ?

Sygnały wyciszania nie są jeszcze obsługiwane przez oprogramowanie, rozwojowo zostały im tylko przydzielone piny na rejestrze. Po uściśleniu jak i kiedy nimi sterować dodam odpowiednie sterowanie.

73 Adam
27-02-2013 18:41
Znajdź wszystkie posty użytkownika Odpowiedz cytując ten post
SQ5KHA Offline
Darek
***

Liczba postów: 173
Dołączył: 10-04-2011
Post: #214
RE: Synteza SPHM DDS
Witaj Adamie,
mam dwa pytania, dotyczące pinów sterujących z płytki rejestrów, a dokładnie sygnałów d10 – NOTCH FILTER i d13 – przełącznik audio słuchawki – głośnik. Jeśli chodzi o d10 to doczytałem że jest to sekwencja ON/OFF i jest już działająca w obecnej wersji oprogramowania, a czy ta funkcja ON/OFF będzie także dostępna przy sygnale d13?

Vy 73 Darek
06-03-2013 21:56
Znajdź wszystkie posty użytkownika Odpowiedz cytując ten post
SP5FCS Offline
Adam
*****

Liczba postów: 1,073
Dołączył: 02-02-2009
Post: #215
RE: Synteza SPHM DDS
Darku, przy planowaniu wykorzystania bitów sterujących na rejestrach szeregowych część sygnałów została zaplanowana "rozwojowo na przyszłość". Były wolne to należało je zdefiniować i wykorzystać. Oprogramowanie ciągle się rozwija i będę sukcesywnie dodawał brakującą obsługę do zaplanowanych funkcji. Tak jest z opisanymi wcześniej sygnałami wyciszania MUTE jak również z sygnałem o który pytasz.

Aktualnie brakuje obsługi następujących sygnałów:
d14 - DSP
d13 - multiplekser audio do przełączania audio RX_1, RX_2, słuchawki, głośnik
d12 - multiplekser audio
d11 - AUDIO filter (on/off)
d10 - NOTCH filter (ob/off)
d9 - MUTE - (on/off) wyciszanie wzmacniacza m.cz.
d8 - MUTE - (on/off) wyciszanie mikrofonu


Obsługę sygnałów MUTE dorobię w wersji 1.05 oprogramowania,
NOTCH już działa na zasadzie (ON/OFF),
włączanie filtru AUDIO w tej chwili chyba nie jest potrzebne ?

Bity d12, d13 zostały pomyślane do sterowania multiplekserem sygnału akustycznego (1 z 4 kanałów), np. kanał 00 RX1 na obie słuchawki, kanał 01 RX1 na lewą słuchawkę a RX2 na prawą, kanał 10 odwrotnie, kanał 11 RX2 na obie słuchawki.

W Husarku nie mamy możliwości jednoczesnego słuchania na dwóch odbiornikach dlatego możemy pokombinować pomiędzy odbiornikami sygnału (głośnik, słuchawki, karta dźwiękowa) do dyskusji.

W ramach dyskusji oraz potrzeb użytkowników Husarków powyższe sygnały mogą być dowolnie zmienione i na nowo oprogramowane.

73 Adam
06-03-2013 22:59
Znajdź wszystkie posty użytkownika Odpowiedz cytując ten post
SQ5KHA Offline
Darek
***

Liczba postów: 173
Dołączył: 10-04-2011
Post: #216
RE: Synteza SPHM DDS
Witaj Adamie,
zapytałem o te sygnały sterujące, ponieważ rozważam jako opcję zastosować filtr który byłby dołączany lub pomijany (coś na zasadzie wzmacniacza na płytce BPF) małym przekaźnikiem, a jeśli chodzi o sygnał d13 to chciałem przełączać np. słuchawki i zewnętrzny głośnik (wewnętrznego raczej nie będę montował), wiem że są gniazda Jack z wyłącznikiem, ale te które kupiłem nie mają go, a pasowały mi pod względem montażowym. Wiadomo że nie robi się oprogramowania dla każdego, gdy projekt jest wykorzystywany przez wiele osób, które mają różne wizje konstrukcyjne, ale gdyby okazało się że w Husarku nie ma pomysłu na ten sygnał to może da się zrobić funkcję przełącznika słuchawki/głośnik, chociaż ten układ sterowania o którym piszesz można wykorzystać do w/w funkcji o większych możliwościach.

Vy 73 Darek
07-03-2013 8:41
Znajdź wszystkie posty użytkownika Odpowiedz cytując ten post
SP5FCS Offline
Adam
*****

Liczba postów: 1,073
Dołączył: 02-02-2009
Post: #217
RE: Synteza SPHM DDS
Nie ma problemu, mamy taki "luksus" że soft możemy poprawiać i dopasowywać do naszych potrzeb. W kolejnej wersji oprogramowania pozostawię sterowanie dodatkowym filtrem audio AF (on/off). Jako, że w Husarku nie mamy DSP możemy zmienić przeznaczenie tego bitu na rejestrach. Zrobimy tam przełączanie audio pomiędzy głośnikiem a słuchawkami S/H (speaker/headphones). Przełączanie będzie w menu konfiguracji na klawiszu dotykowym tam gdzie jest również sterowanie AF, NF, VOX.

73 Adam
12-03-2013 22:36
Znajdź wszystkie posty użytkownika Odpowiedz cytując ten post
SP5FCS Offline
Adam
*****

Liczba postów: 1,073
Dołączył: 02-02-2009
Post: #218
RE: Synteza SPHM DDS
Zmiany w oprogramowaniu sterownika dla ver. 1.05:
1/ Poprawiona obsługa wysterowania zasilania odbiornika (ZAS_RX).
Bezpośrednio po włączeniu zasilania sterownika na rejestrach szeregowych brakowało wysterowania zasilania odbiornika (pin RX), poprawny stan pojawia się dopiero po wciśnięciu i puszczeniu PTT.

2/ Poprawiona obsługa numeru konfiguracji CFG. Sterownik po włączeniu zasilania zawsze zgłaszał się na poszczególnych pasmach drugą konfiguracją CFG2;

3/ Roman SP5AQT podczas prób z Husarkiem na pasmie 50MHz znalazł "dziurę" w pracy generatora dla zakresu (192...202)MHz. W tej wersji jest już OK i HUSAREK z modyfikacją sterowania mieszaczem na 74AC175 może pracować również na 6 metrach.

4/ Dla obsługi pasma 50MHz w trybie decymalnym na rejestrach dodałem bit do sterowania filtrami.

5/ Dodana obsługa przełączania sygnału audio pomiędzy głośnikiem a słuchawkami, klawisz w menu CFG, bit D14 na rejestrach szeregowych.

6/ Włączanie szerokiego filtru akustycznego podczas nadawania. Ze względu na pomysł wykorzystania filtrów akustycznych również podczas nadawania celowym wydaje się włączanie na sztywno szerokiego filtru przy nadawaniu i przywrócenie nastawy po powrocie na odbiór.

7/ Zmiana logiki sterowania bitów (SSB/CW) oraz (wąski/szeroki) na rejestrach szeregowych;

Na ekranach widoczny klawisz do zmiany konfiguracji głośnik / słuchawki. Bit sterujący na rejestrze oraz klawisz dotykowy możemy wykorzystać również do przełączania AUDIO / MODEM do podłączenia karty dźwiękowej (propozycja Jurka SP9IZM).

W załączniku kolejna wersja opisu sterownika, ciągle z dużymi brakami.


Załączone pliki Miniatury
İmage İmage

73 Adam
19-03-2013 15:20
Znajdź wszystkie posty użytkownika Odpowiedz cytując ten post
SP5FCS Offline
Adam
*****

Liczba postów: 1,073
Dołączył: 02-02-2009
Post: #219
RE: Synteza SPHM DDS
W pierwszym poście tego wątku umieściłem najnowszy opis sterownika. Zawsze tam należy szukać kolejnych wersji opisu. Nazwa pliku zawiera datę ostatniej modyfikacji.

Kolejna wersja opisu sterownika, brakuje jeszcze pełnego opisu procesora, schemat już kończę. Pozostałe moduły są już opisane, instrukcja obsługi sterownika jest prawie gotowa. Postaram się do świąt zakończyć cały opis budowy i obsługi sterownika.

Będę wdzięczny za wszelkie uwagi, czego brakuje, co jaśniej opisać, dodać zmienić. Przyszły użytkownik sterownika powinien w opisie mieć wszystko aby nie musiał czytać całego wątku na forum.

73 Adam
22-03-2013 0:49
Znajdź wszystkie posty użytkownika Odpowiedz cytując ten post
SP5FCS Offline
Adam
*****

Liczba postów: 1,073
Dołączył: 02-02-2009
Post: #220
RE: Synteza SPHM DDS
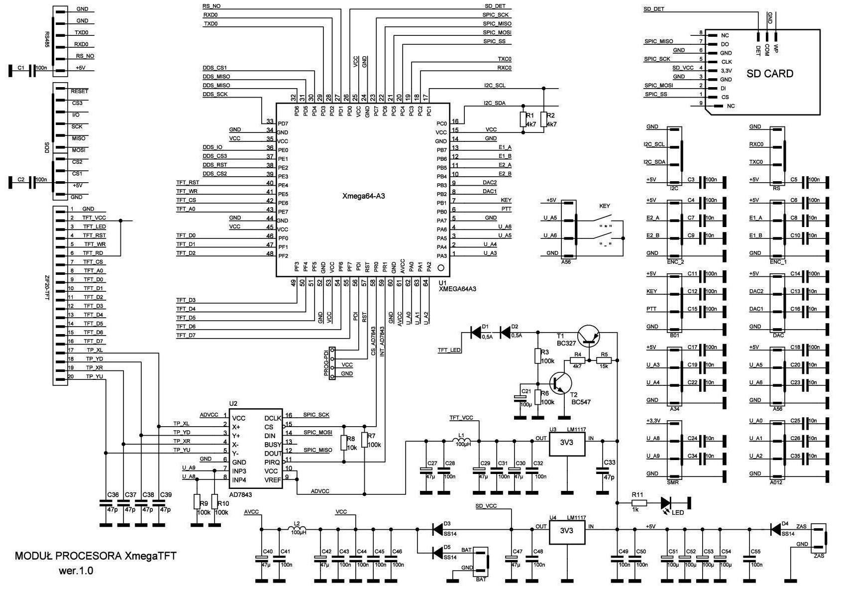
W ramach kontynuacji prac nad sterownikiem do HUSARKA poprawiłem projekt druku procesora Xmega. Początkowo zmiany miały być poważniejsze ale ostatecznie wykonana została tylko kosmetyka druku. Zależało mi aby nie zmienił się schemat ideowy, topologia i opis złączy co pozwoli posługiwać się jedną wersją oprogramowania do wszystkich sterowników. Gruntowną przebudowę sterownika wykonamy na procesorze do obsługi wyświetlacza 4,2 cala przeznaczonym do HUSARA. W załączniku ekrany w projektu płytki procesora.

W załączniku ostatni z brakujących schematów do wykonania całego opisu budowy i obsługi sterownika do radia HUSAREK. Opracowanie wymaga jeszcze drobnych uzupełnień oraz usunięcia literówek ale już w takiej postaci zaoszczędzi nam dużo czasu bez potrzeby czytania wszystkich postów w tym wątku.

Pierwsza wersja opisu została ukończona (pierwszy post wątku).
Proszę o wszelkie uwagi, zauważone braki, błędy oraz inne propozycje.


Załączone pliki Miniatury
İmage İmage İmage

73 Adam
26-03-2013 23:49
Znajdź wszystkie posty użytkownika Odpowiedz cytując ten post
Odpowiedz 


Skocz do:


Użytkownicy przeglądający ten wątek: 1 gości